½ñÄê»á¹ÙÍø

ÏÔ³¾Ä£×é

ËùÊô·ÖÀࣺ¹âÔ´Ä£×é

²úÆ·Âôµã£º

ÏÔ³¾Ä£×é½ÓÄÉÂÌÏÊÃ÷³¾ÊÖÒÕ£¬£¬ £¬£¬£¬£¬£¬Ê¹ÓÃÒ»ÊøÂÌɫƽÐйâÊø£¬£¬ £¬£¬£¬£¬£¬ÈÃÓû§ÔÚ²»ÉËÑÛµÄÇéÐÎÏ·¢Ã÷¼ÒÖÐËÀ½Ç´¦¸üϸСµÄ»Ò³¾¡£¡£¡£¡£¡£¡£¡£ÕâÊø¹âÔÚ±ÊֱƫÏòÉϱ»Ñ¹ËõÖÁС½Ç¶È£¬£¬ £¬£¬£¬£¬£¬¶øÔÚˮƽƫÏòÉÏÔòÕö¿ª³É´ó½Ç¶È£¬£¬ £¬£¬£¬£¬£¬´Ó¶øÊµÏÖÁË½ÏÆÕ±éµÄÕÕÉ乿죬£¬ £¬£¬£¬£¬£¬Í¬Ê±×èÖ¹Á˹âÖ±ÉäÑÛ¾¦µÄΣÏÕ¡£¡£¡£¡£¡£¡£¡£ÕâÖÖÕÕÉä·½·¨ÄÜÏÔ×ÅÏÔʾ³öÇå½àÆ÷ǰ·½ÊÂÇéÍâòµÄ»Ò³¾ºÍÔÓÖÊ£¬£¬ £¬£¬£¬£¬£¬ÌáÉýÁ˶ÔϸС¿ÅÁ££¨ÈçÆ¤Ð¼¡¢³èÎïë·¢¡¢³¾òýºÍ²¿·Ö»¨·Û£©µÄʶ±ðÄÜÁ¦¡£¡£¡£¡£¡£¡£¡£Òò´Ë£¬£¬ £¬£¬£¬£¬£¬ÏÔ³¾Ä£×é²»µ«ÄÜÌá¸ßÇå½àЧÂÊ£¬£¬ £¬£¬£¬£¬£¬»¹ÄÜÀû±ãÓû§ÊÓ²ìÇå½àЧ¹û¡£¡£¡£¡£¡£¡£¡£


  ²úÆ·ÌØÕ÷  

  • ÂÌÏÊÃ÷³¾¿ÉÊÓ»¯£¬£¬ £¬£¬£¬£¬£¬Öª×ãÓû§Éî¶ÈÇå½àÐèÇó

  • ¸ßÇåÎú½çÏß¹âÐÍ£¬£¬ £¬£¬£¬£¬£¬¿´µÃ¸üÇå¡¢¸ü¹ã

  • LED+Ë«ÇúÃæÍ¸¾µ£¬£¬ £¬£¬£¬£¬£¬»Ò³¾Í¶Ó°¸üÔ¶

  • ÏßÐÔ¹âÌùµØÉè¼Æ£¬£¬ £¬£¬£¬£¬£¬Ô½·¢Çå¾²¸ßЧ×ÔÖ÷Ñз¢×¨Àû£¬£¬ £¬£¬£¬£¬£¬¿ÉÎÞа¶¨ÖƳ¬µÍ¹¦ºÄ£¬£¬ £¬£¬£¬£¬£¬Ìå»ýСÀû±ã×°ÖÃ


  ¹æÔò²ÎÊý  

ÊÂÇéµçѹ

DC 12V

ÊÂÇéµçÁ÷125 mA
Â̹Ⲩ³¤500-570 nm
ÕÕ¶È400 Lux(¿Éµ÷¹â)
ÊÂÇéζÈ-10¡æ~60¡æ


²úÆ·ÌØÕ÷-1000.jpg


¹æ¸ñ²ÎÊý-1000.jpg

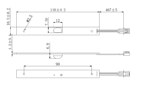
³ß´ç-1000.png

? Ó¦Óó¡¾°

? ɨµØ»ú£¬£¬ £¬£¬£¬£¬£¬ÕÕµØÃæ»Ò³¾         ? ³ýòýÒÇ£¬£¬ £¬£¬£¬£¬£¬ÕÕ´²Éϱ»×Ó         ? µçìÙ¶·£¬£¬ £¬£¬£¬£¬£¬ÕÕÒ·þµÄñÞÖå

³¡¾°Í¼-1000.jpg

ÍøÕ¾µØÍ¼
0.0903s